images/testate/Template-Header-Sito-OMALBALLVALVES.jpg

Kugelhahn aus Messing Item 153

Kugelhahn aus Messing Item 153
Makro Kugelhähne

Kugelhahn aus Messing, 3-Wege, mit Gewinde, voller Durchgang, mit L-Bohrung

KONFIGURIEREN Steuerung
INFORMATIONEN ANFORDERN
SEITE DRUCKEN
  • eigenschaften
  • abmessungen
  • werkstoffe
  • diagramme und anlaufmomente
  • merkmale
  • dokumente

ALLGEMEINE EIGENSCHAFTEN: 
• Der Kugelhahn wurde für mittleren Druck mit nicht aggressiven Medien entwickelt und funktioniert nur als Verteiler. Das Schließen des Förderstroms ist nicht möglich, dies kann nur über die zentrale Muffe erfolgen, siehe Schema.
• Betriebstemperatur: -20°C bis +120°C.
• Betriebsdruck: max. 16 bar, siehe Diagramm
• Betriebsmedien: Luft, Wasser, Gas, Öle, Erdölprodukte und Petrochemikalien.
• Innengewinde gemäß der Norm ISO 7/1 and NPT.
• Montageflansch für Stellantrieb gemäß ISO 5211

SONDERAUSFÜHRUNGEN AUF ANFRAGE: 
• Für andere Anwendungen wenden Sie sich an unsere Verkaufsabteilung. 

ZERTIFIZIERUNGEN: 
• In Einklang mit der EU-Richtlinie 2014/68/EU "PED".
• ATEX-Ausführung gemäß der EU-Richtlinie ATEX 2014/34/EU (auf Anfrage)

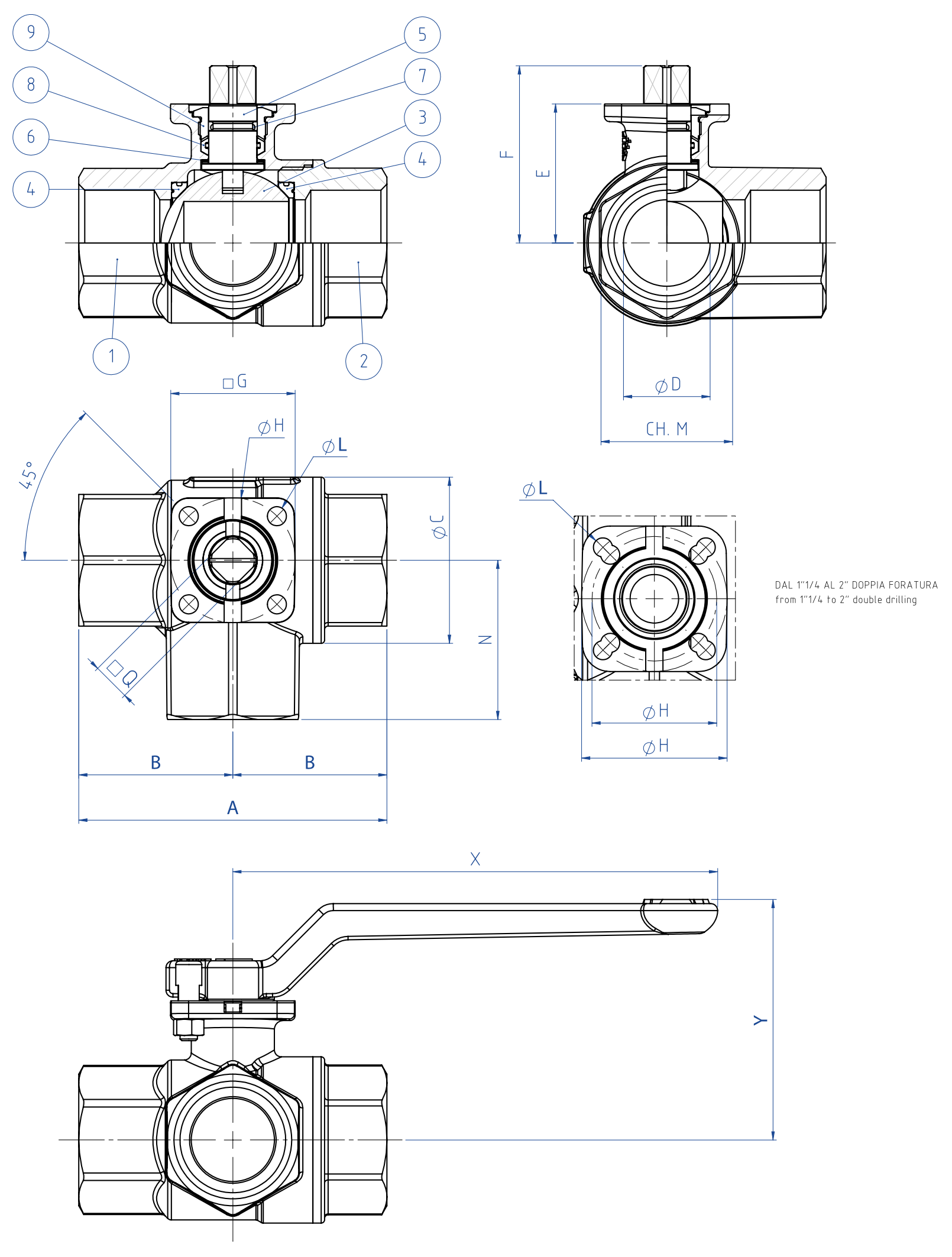
ABMESSUNGEN  
BAUGRÖSSE 
øD
A
B
øc
N
□Q
E
F
□G
øH
ISO
øL
ch.M
X
Y
DN [mm]
[Zoll]
ISO 7/1
NPT
ISO 7/1
NPT
DN 10
3/8"
106962333131,833930,538,43636F035,52514058,5
DN 15
1/2"
156962333131,833930,538,43636F035,525140
58,5
DN 20
3/4"
207768383440381136,347,13636F035,531140
64,5
DN 25
1"
258979,54639,848461140,250,93636F035,538140
68,5
DN 32
1" 1/4
3210392544660541151,562,54236/42F03/F045,547140
80
DN 40
1" 1/2
40114102615170,6611158694236/42F03/F045,554140
86
DN 50
2"
50134116735886,5731165,376,34642/50F04/F055,5/6,566140
93,5

MATERIALIEN    
1
Gehäuse*
Messing
EN 12165 CW617N
2
Weibliche Muffe*
Messing
EN 12165 CW617N
3
Kugel
Hartverchromtes Messing
EN 12164 CW614N
4
Seitliche Dichtungen
P.T.F.E.

5
Spindel
Messing
EN 12164 CW614N
6
Ringe gegen Reibung
P.T.F.E.

7
O-ringFKM
8
Spindeldichtung
P.T.F.E.

9
Dichtungsniederhalter*
Messing
EN 12164 CW614N
* Externe Behandlung: Glänzende Vernickelung

DRUCK-/TEMPERATURDIAGRAMM

Durchflussrate/Druckverlust und Nennkoeffizient Kv

Der Kv-Wert ist der Durchflusswert in m3/h (bei einer Wassertemperatur von 15°C), der einen Druckabfall von 1 bar verursacht.

ANLAUFMOMENTE in Nm 
BAUGRÖSSE  
DN 10
3/8"

DN 15
1/2"

DN 20
3/4"

DN 25
1"

DN 32 1"1/4
DN 40 1"1/2
DN 50
2"

PN 16 bar
4
4581116
23



Die angegebenen Anlaufmomentwerte können sich je nach Temperatur oder Betriebsmedien ändern. Berücksichtigen Sie bitte einen Sicherheitsfaktor von 1,4.

Bei häufigen Öffnungs- und Schließzyklen kann sich das Betriebsdrehmoment im Vergleich zum Anfangswert leicht verringern. Die auf den folgenden Seiten angegebenen Kombinationen Antrieb/Armatur beziehen sich auf Armaturen mit flüssigen oder gasförmigen sauberen Medien bei mittleren Temperaturen. Für weitere Informationen oder andere Verwendungszwecke wenden Sie sich bitte an unsere Verkaufsabteilung.

Schema L-Bohrung

HINWEIS:
Bei NORMAL GESCHLOSSENEM SR-Stellantrieb muss die Ruheposition der Kugel „A“ sein.
Bei NORMAL GEÖFFNETEM SR-Stellantrieb muss die Ruheposition der Kugel „B" sein.

Ansicht von oben

KONFIGURIEREN BETÄTIGUNG
Wählen Sie die Suchparameter
ARTIKEL SUCHEN
SCHLIESSEN

NÄCHSTES EVENT

Hydrogen Technology Expo - Europe 2025
Hydrogen Technology Expo - Europe 2025
Hamburg Messe, Germany, 21 - 23 october 2025