images/testate/JTPiQQ_Template-Header-Sito-OMAL2560x768-RACKON-V2-ok.jpg

RACKON - doppeltwirkend DA

  • vorteile
  • eigenschaften
  • abmessungen
  • werkstoffe
  • diagramme und anlaufmomente
  • merkmale
  • dokumente

RITZEL-ZAHNSTANGEN-GETRIEBE

DOPPELTE EINSTELLUNG

DOPPELTWIRKEND „DA“

EINFACHWIRKEND „SR“

1. Selbstschmierende vorgespannte Dicht- und Gleitringe.

Weniger Reibung zwischen Kolben und Zylinder.

Die Dichtung klebt auch nach längerer Stillstandszeit nicht am Zylinder fest.


2. Einstellnocken aus Stahl.

Möglichkeit der Einstellung des Schließens und/oder Öffnens bei einem Standardantrieb (±5° für jede Einstellung).

Einfache und zuverlässige Einstellung.


3. Umwandlung der linearen Bewegung in Drehbewegung mittels Ritzel- und Zahnstangen-Getriebe.

Lineares Kraftmoment beim Öffnen und Schließen (geeignet für Kugelhähne).

Hohe Einstellgenauigkeit durch die Steifigkeit des Zahnstangensystems und den mechanischen Anschlag zwischen Nocken und Einstellschraube.

Gleichmäßige Drehgeschwindigkeit.


4. Gewalzter Zylinder.

Geringerer Verschleiß der vorgespannten Dicht- und Gleitringe dank geringer Oberflächenrauheit (0,15 μm Ra).


5. Modulares Patronenfedersystem.

Hohe Flexibilität und Präzision bei der Konfiguration des von den Federn erzeugten Kraftmoments.

Große Auswahl an Konfigurationen.


Für das gesamte Sortiment besteht die Möglichkeit einer Schnittstelle für NAMUR-Magnetventile.

Mit Anschlussplatte von RK10 bis RK240. - Integriert für RK 300 und RK480.


NPT-Luftlochgewinde sind auf Anfrage erhältlich.

Erhältlich mit Anschlussplatte für alle Größen.


Der gesamte Produktionsprozess wird im Werk von OMAL ausgeführt.

Maximale Kontrolle in allen Bearbeitungsphasen.


ATEX compliance.

Ermöglicht die Installation in explosionsgefährdeten Umgebungen.


Zertifikat bis SIL 3

Hohe Funktionssicherheit

TECHNISCHE DATEN
• Drehmoment von 10 bis 474 Nm.
• Flanschanschluss: EN ISO 5211: F03 - F04 - F05 - F07 - F10 - F12.
• Gemäß EN 15714-3.
• Gemäß der ATEX-Richtlinie 2014/34/EU.
• Schwenkwinkel: 100° (-5°, +95°).
• Doppelte Einstellung -5° und +5° für jeden Endanschlag (0 und 90°).
• Drehmoment: Direkt proportional zum Versorgungsdruck (siehe Tabelle).
• Bei jedem Antrieb entspricht der Wert, der der Abkürzung RK folgt, dem Wert des Anlaufmoments in Nm bei einem Druck von 5,6 bar.

BETRIEBSBEDINGUNGEN
• Betriebstemperatur: -20 bis +80°C.
    Spezialausführungen:
    - hohe Temperatur: -20°C +150°C.
    - niedrige Temperatur: -50°C +60°C.
• Nenndruck: 5,5 bar; maximaler Betriebsdruck 8 bar.
• Zufuhrmedium: gefilterte Druckluft, nicht unbedingt geölt; gemäß UNI EN 15714-3:2009.
• Bei Schmierung ein für die Innendichtungen geeignetes, reinigendes Öl verwenden.

SONDERAUSFÜHRUNG AUF ANFRAGE, KODIERUNGSSCHLÜSSEL


EIGENSCHAFT
Schwingender Stellantrieb
RK
Größe
0010, 0020, 0040, 0060, 0080, 00120, 00160, 0240, 0300, 0480
Kunde
VOOMAL
Schwenkwinkel [°]
A90°
B*180°
C*120°
D*135°
Schließrichtung
RSchließung bei Rechtsdrehung
LSchließung bei Linksdrehung
Funktionsweise
SEinfachwirkend NC (stromlos geschlossen)
OEinfachwirkend NO (stromlos offen)
DDoppeltwirkend
Verwendete Federn
00Ohne Federn
20Federn für 2,0 bar
25Federn für 2,5 bar
30Federn für 3,0 bar
35Federn für 3,5 bar
40Federn für 4,0 bar
45Federn für 4,5 bar
50Federn für 5,0 bar
55Federn für 5,5 bar
60Federn für 6,0 bar
Flanschtyp, kleiner bei
Doppelflansch
03F03
04F04
05F05
07F07
10F10
12F12
Form des unteren Wellensitzes
QSternwelle
D*Doppelte flache Welle
Sitzgröße der unteren Welle
09Kasten mit Abmessungen 9 mm
11Kasten mit Abmessungen 11 mm
14Kasten mit Abmessungen 14 mm
17Kasten mit Abmessungen 17 mm
22Kasten mit Abmessungen 22 mm
27Kasten mit Abmessungen 27 mm
Druckluftanschluss
GAnschlussplatte Namur, GAS-Gewinde
NAnschlussplatte Namur, NPT-Gewinde
0Gasgewinde am Zylinder ohne Anschlussplatte
(keine Namur-Schnittstelle).
INamur-Schnittstelle, integrierte Gas-Gewinde
Ausführung
-Standard
6*Niedrige Temperatur
4*Hohe Temperatur

* Nur auf Anfrage.
HINWEIS Für Spezialausführungen wenden Sie sich an OMAL.



CODIERUNGSBEISPIEL FÜR RACKON

Kodierungsschlüssel: RK0040VOARD0005Q11G
Beschreibung des Produkts: RACKON 40 DOPPELTWIRKEND ISO F05 07 STERNWELLE 11 mm MIT ANSCHLUSSPLATTE NAMUR GAS.

Kodierungsschlüssel: RK0300VOARD0007Q22I
Beschreibung des Produkts: RACKON 300 DOPPELTWIRKEND ISO F07 10 STERNWELLE 22 mm MIT NAMUR-SCHNITTSTELLE GAS INTEGRIERT IM ZYLINDER.

KodierungsschlüsselRK0040VOARS6005Q11G
Beschreibung des Produkts: RACKON 40 EINFACHWIRKEND MIT 6 BAR ISO F05 07 STERNWELLE 11 mm MIT ANSCHLUSSPLATTE NAMUR GAS.

Kodierungsschlüssel: RK0300VOARS6007Q22I
Beschreibung des Produkts: RACKON 300 EINFACHWIRKEND MIT 6 BAR ISO F07 10 STERNWELLE 22 mm MIT NAMUR-SCHNITTSTELLE GAS INTEGRIERT IM ZYLINDER.

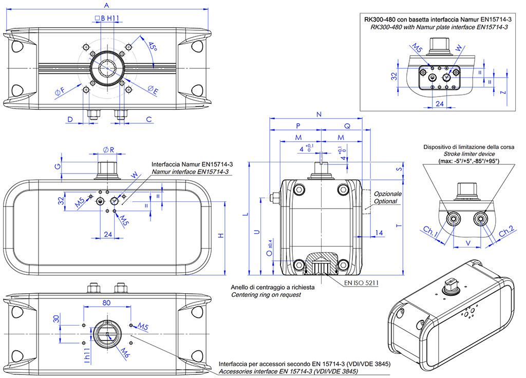
RK10 ÷ RK240

ABMESSUNGEN [mm]
Baugröße
RK10RK10RK20RK20RK20RK20RK40RK40RK40RK40RK60RK80RK120RK160RK240
ISOF03F04F03/F05F03/F05F04F04F04F04F05/F07F05/F07F05/F07
F05/F07
F05/F07
F07/F10F07/F10
A121,7
121,7
153,7
153,7
153,7
153,7
180,4
180,4
180,4
180,4
215,4
235,5
265,9
285,9
318,4
B9
9
911911
11
14
11
141417172222
C x TiefeM5x8
M5x8
M5x8
M5x8
M5x8
M5x8
M5x8
M5x8
M6x9
M6x9
M6x9
M6x9
M6x9
M8x12
M8x12
D x Tiefe--M6x9
M6x9
----M8x12
M8x12
M8x12
M8x12
M8x12M10x15
M10x15
E36
4236
36
4242424250
50
50
50
50
7070
F--5050----70
70
70
70
70
102102
G101010101010
1313
13
13
13
13
13
13
19,5
H333350,950,950,9
50,9
60,8
60,8
60,8
60,8
68,7
75,6
87,6
97,5
112
I999999
12
12
12
12
12
15151922
J505080808080
80
80
80
80
80
80
80
80
80
K252530303030
30
30
30
30
30
30
30
30
30
L8080100100100100
112
112
112
112
122
130143154180
M24,524,530303030
36,5
36,5
36,5
36,5
41,5
46
51
56,5
64
N71*
71*
82,5*
82,5*
82,5*82,5*
95,5*
95,5*
95,5*
95,5*
107,8*
116,5*
127*
141*
159*
O10,7
10,7
13,213,2
13,2
13,2
16,5
16,5
16,5
16,5
16,5
19,3
19,3
24,3
24,3
P32,5*
32,5*
38,5*38,5*
38,5*
38,5*
45*
45*
45*
45*
52,3*
56,5*
62*
70,5*
81*
Q38,5
38,5
4444
44
44
50,5
50,5
50,5
50,5
55,5606570,578
R10,9
10,9
12,712,7
12,7
12,7
16,2
16,2
16,2
16,2
1820,222,525,531,8
S15
152020
20
20
20
20
20
20
20
20
20
20
30
T65658080
80
80
92
92
92
92102110123134150
U494959,7559,75
59,75
59,75
70,5
70,5
70,5
70,5
70,5
8697,75106,25120,5
V16161919
19
19
21
21
21
212426323641
W Standardausführung (GAS)
1/8"
1/8"
1/8"
1/8"
1/8"
1/8"
1/8"
1/8"
1/8"
1/8"
1/8"
1/8"
1/4"
1/4"
1/4"
W Sonderausführung (NPT)
1/8"-27
1/8"-27
1/8"-27
1/8"-27
1/8"-27
1/8"-27
1/8"-27
1/8"-27
1/8"-27
1/8"-27
1/8"-27
1/8"-27
1/4"-18
1/4"-18
1/4"-18
Ch.11010101010
1010
1010
10
1313131618
Ch.23333333
33344456
Gewicht (kg)
0,90,91,41,41,41,42,1
2,12,12,1
2,93,75,16,59
Luft (dm³/Zyklus)
0,120,120,250,250,250,250,48
0,480,48
0,48
0,75
1,04
1,481,99
2,91
Z49,849,8
59,959,959,959,969,8
69,869,8
69,8
77,7
84,6
96,6
106,6
121
W1/8"
1/8"
1/8"
1/8"
1/8"
1/8"
1/8"
1/8"
1/8"
1/8"
1/8"
1/8"
1/4"
1/4"
1/4"

H = MITTE DER ANSCHLUSSPLATTENBEFESTIGUNGEN.
* Variabel je nach Einstellung.

RK300 ÷ RK480

ABMESSUNGEN [mm]
Baugröße
RK300RK480
ISOF07/F10
F10/F12
A352,4
393,4
B22
27
C x TiefeM8x12
M10x15
D x TiefeM10x15
M12x18
E70
102
F102
125
G19,5
19,5
H125
145
I2227
L192214
M69,580
N156,5*180*
O24,329,5
P87*100*
Q83,594
R31,838
S3030
T162184
U131149,5
V4652
W Standardausführung (GAS)
1/4"1/4"
W Sonderausführung (NPT)
1/4"-18
1/4"-18
Ch.11821
Ch.266
Gewicht (kg)
11,416,3
Luft (dm³/Zyklus)
3,775,8
Z124,5144,5
W1/4"
1/4"


H = MITTE DER ANSCHLUSSPLATTENBEFESTIGUNGEN.
* Variabel je nach Einstellung.

RK10 ÷ RK480

WERKSTOFFE
Pos.
Beschreibung
Menge
Werkstoff
1Zylinder
1Aluminiumlegierung
2Welle
1Edelstahl
3*Schelle (obere Wellenhalterung)
1Acetalharz
4*Schelle (untere Wellenhalterung)
1Acetalharz
5*O-Ring (untere Wellendichtung)
1Nitrilkautschuk
6Nocken
1Edelstahl
7*Ring innere Halterung
1Acetalharz
8*Äußerer Stützring
1Acetalharz
9Unterlegscheibe
1Edelstahl
10*Seeger-Ring
1Edelstahl
11*O-Ring**
2Nitrilkautschuk
12*O-Ring obere Welle
1Nitrilkautschuk
13Anschlussplatte Namur**
1Aluminiumlegierung
14Schrauben**
2Edelstahl
15*O-Ring
2Nitrilkautschuk
16*Scheibe (Hubeinstellung)
2Edelstahl
17*Mutter (Hubeinstellung)
2Edelstahl
18*Justierschraube
2Edelstahl
19Kolben
2Aluminiumlegierung
20*Kolbenstützhalterung
4Acetalharz
21*Dichtring
2Polyurethan
22*O-ring
2Nitrilkautschuk
23*O-Ring Kappe
2Nitrilkautschuk
24Kappe
2Aluminiumlegierung
25Schrauben
8Edelstahl

* Bestandteile des Ersatzteilsatzes.
** Fehlt für einige Modelle, siehe Tabelle der Artikelnummern.

DIAGRAMM DREHMOMENT „DA“ (Nm)

TABELLE DREHMOMENT RACKON „DA“ (Nm)
Baugröße
Luft bar
2 bar2,5 bar3 bar3,5 bar4 bar4,5 bar5 bar5,5 bar5,6 bar6 bar7 bar8 bar
RK103,74,75,66,67,58,49,410,310,511,213,115,0
RK207,39,111,012,814,616,418,320,120,521,925,629,2
RK4013,917,420,924,427,931,334,838,339,041,848,755,7
RK60
21,226,531,937,242,547,853,158,459,563,774,384,9
RK80
30,037,544,952,459,967,474,982,483,989,9104,9119,9
RK120
42,753,464,074,785,496,1106,7117,4119,5128,1149,4170,8
RK160
58,573,287,8102,5117,1131,7146,4161,0163,9175,6204,9234,2
RK240
85,2106,5127,8149,1170,4191,7213,0234,3238,6255,6298,2340,8
RK300
109,8137,2164,7192,1219,6247,0274,5301,9307,4329,3384,2439,1
RK480
172,4215,5258,5301,6344,7387,8430,9474,0482,6517,1603,3689,5

Für Drehmomente bei anderen Drücken OMAL kontaktieren.

FUNKTIONSSCHEMA DES DOPPELTWIRKENDEN STELLANTRIEBS

FUNKTIONSSCHEMA
Durch Einleiten von Luft in die Versorgungsöffnung 4 bewegen sich die Kolben zur Mitte und es erfolgt eine Drehung der Welle im Uhrzeigersinn zur Endposition und zur Position in der Zeichnung.

FUNKTIONSSCHEMA
Durch Einleiten von Luft in die Versorgungsöffnung 2 bewegen sich die Kolben zur Außenseite und es erfolgt eine Drehung der Welle gegen den Uhrzeigersinn zur Endposition und zur Position in der Zeichnung.

ANLEITUNG FÜR DIE HUBEINSTELLUNG DES DOPPELWIRKENDEN STELLANTRIEBS

ÖFFNUNGSEINSTELLUNG

SCHLIESSEINSTELLUNG

A) Sicherstellen, dass keine Druckluft im Stellantrieb vorhanden ist (in keiner der beiden Kammern).
B) Die Gegenmutter A1 lösen.
C) Luft mit niedrigem Druck (ausreichend für Bewegung) in das Loch „2“ einlassen, damit sich die Kolben in die Endposition bewegen.
D) Mit einem Inbusschlüssel die Justierschraube A festziehen oder lockern, um die gewünschte Einstellung zu erhalten (maximaler Einstellbereich ±5°).
E) Sobald die gewünschte Einstellung erreicht wurden, die Justierschraube A mit einem Inbusschlüssel blockieren, während die Gegenmutter A1 mit einem Schraubenschlüssel festgezogen wird.

HINWEIS Eventuell die Tätigkeiten wiederholen, bis die gewünschte Einstellung erzielt wird.

A) Sicherstellen, dass keine Druckluft im Stellantrieb vorhanden ist (in keiner der beiden Kammern).
B) Die Gegenmutter B1 lösen.
C) Luft mit niedrigem Druck (ausreichend für Bewegung) in das Loch „4“ einlassen, damit sich die Kolben in die Endposition bewegen.
D) Mit einem Inbusschlüssel die Justierschraube B festziehen oder lockern, um die gewünschte Einstellung zu erhalten (maximaler Einstellbereich ±5°).
E) Sobald die gewünschte Einstellung erreicht wurden, die Justierschraube B mit einem Inbusschlüssel blockieren, während die Gegenmutter B1 mit einem Schraubenschlüssel festgezogen wird.

HINWEIS Eventuell die Tätigkeiten wiederholen, bis die gewünschte Einstellung erzielt wird.

WÄHLE GRÖßE
Wählen Sie die Suchparameter
ARTIKEL SUCHEN
SCHLIESSEN

NÄCHSTES EVENT

Hydrogen Technology Expo - Europe 2025
Hydrogen Technology Expo - Europe 2025
Hamburg Messe, Germany, 21 - 23 october 2025