1. Energieversorgte, selbstschmierende Dichtungs- und Gleitleisten
Weniger Reibung zwischen Kolben und Zylinder
Das Anhaften der Dichtung am Zylinder wird auch nach langen Standzeiten verhindert
 
2. Schlitz, Buchsen und Stifte mit härterem Stahl - Härte von über 50 HRC 
Größere Beständigkeit gegen die Kräfte innerhalb des Antriebs
 
3. Rollwiderstand zwischen Schlitz und Kolben 
Geringerer Abrieb
 
4. Kurbelschleife mit Rollwiderstand (Umwandlung der linearen in eine Drehbewegung mittels Kolben und Welle ohne Zahnräder)
Geringerer Verschleiß der Teile durch geringeren Abrieb zwischen Kolben und Welle
Verbessertes Drehmoment beim Öffnen und Schließen
Geringerer Platzbedarf im Vergleich zu Zahnstangenantrieben
Geringeres Gewicht im Vergleich zu Zahnstangenantrieben (-30% kg/Nm)  und somit Einsparungen bei Ausführung der Anlagenstruktur
Geringere Belastung des Kompressors bzw. Möglichkeit zur Nutzung eines Kompressors mit kleineren Abmessungen durch geringeren Luftverbrauch im Vergleich zu Zahnstangenantrieben (-40% Luft cm³/Nm doppeltwirkend und -20% Luft cm³/Nm einfachwirkend)
 
5. Rollenzylinder
Geringerer Verschleiß der energieversorgten Dichtungsleisten durch die geringe Rauheit der Oberfläche
6. Stainless Steel shaft
Higher corrosion resistance
 
Integrierter Anschluss für NAMUR-Magnetventile DAN15
Kein zusätzlicher Sockel erforderlich
 
Der gesamte Produktionsprozess erfolgt hausintern bei OMAL
Maximale Kontrolle in allen Verarbeitungsphasen
 
ATEX-Zertifikat
Ermöglicht die Installation in explosionsgefährdeten Umgebungen
 
Zertifikat bis SIL 3
Hohes funktionales Sicherheitsniveau garantiert										
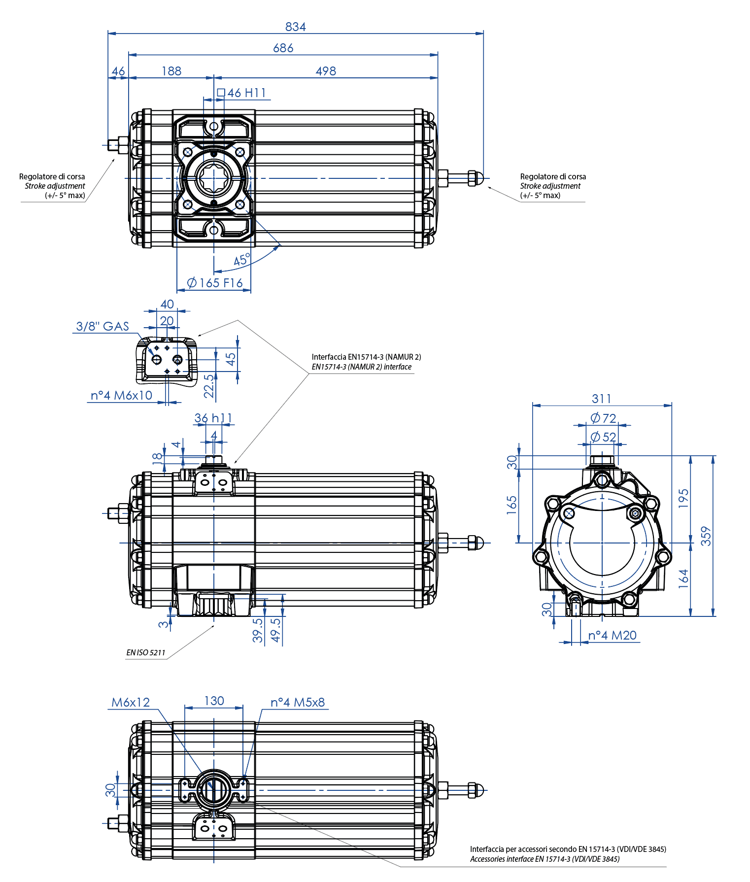
TECHNISCHES DATENBLATT VON SRN15 (Nm) bis SRN53 (Nm)  | ||||||
| Artikelnummer | SRN0015401S | SRN0015402S | SRN0030401S | SRN0030402S | SRN0053401S | |
| Ersatzdichtungen | KGGI0014 | KGGI0016 | KGGI0060 | |||
| Baugröße | SRN15 | SRN30 | SRN53 | |||
| ISO | F03/F05 | F04 | F04 | F05/F07 | F05/F07 | |
| A | 233,3 | 233,3 | 259 | 259 | 304,3 | |
| A1 (2,8 Bar) | 203,8 | 203,8 | 228,5 | 228,5 | 270,7 | |
| B | 11 | 11 | 14 | 14 | 17 | |
| C x Tiefe | M5x8 | M5x8 | M5x8 | M6x9 | M6x9 | |
| D x Tiefe | M6x9 | - | - | M8x12 | M8x12 | |
| E | 36 | 42 | 42 | 50 | 50 | |
| F | 50 | - | - | 70 | 70 | |
| G | 10 | 10 | 13 | 13 | 13 | |
| H | 30,3 | 30,3 | 35,7 | 35,7 | 42,8 | |
| I | 9 | 9 | 10 | 10 | 12 | |
| L | 79,2 | 79,2 | 90,4 | 90,4 | 103,3 | |
| M | 31,5 | 31,5 | 37,7 | 37,7 | 44,8 | |
| N | 47,7 | 47,7 | 52,7 | 52,7 | 58,5 | |
| O | 13,2 | 13,2 | 16,5 | 16,5 | 19,3 | |
| P | 27,7 | 27,7 | 32,7 | 32,7 | 38,5 | |
| Q | 31,5 | 31,5 | 37,7 | 37,7 | 44,8 | |
| R | 10,9 | 10,9 | 14,5 | 14,5 | 16,2 | |
| S | 20 | 20 | 20 | 20 | 20 | |
| T | 59,2 | 59,2 | 70,4 | 70,4 | 83,3 | |
| W (Gas) | 1/8" | 1/8" | 1/8" | 1/8" | 1/8" | |
| Ch | 13 | 13 | 13 | 13 | 17 | |
| Gewicht (kg) | 1,2 | 1,2 | 1,95 | 1,95 | 3 | |
| Luft (dm3/Zyklus) | 0,09 | 0,09 | 0,17 | 0,17 | 0,3 | |
| H = MITTE DER SOCKELBEFESTIGUNGEN | ||||||
TECHNISCHES DATENBLATT VON SRN60 (Nm) bis SRN360 (Nm)     | |||||||
| Artikelnummer | SRN0060401S | SRN0090401S | SRN0120401S | SRN0180401S | SRN0240401S | SRN0360401S | |
| Ersatzdichtungen | KGGI0018 | KGGI0019 | KGGI0020 | KGGI0021 | KGGI0022 | KGGI0023 | |
| Baugröße | SRN60 | SRN90 | SRN120 | SRN180 | SRN240 | SRN360 | |
| ISO | F05/F07 | F07/F10 | F07/F10 | F07/F10 | F10/F12 | F10/F12 | |
| A | 338,5 | 393,7 | 409,6 | 474 | 520,5 | 613 | |
| A1 (2,8 Bar) | 309,1 | 341,8 | 361,6 | 406,6 | 454,1 | 523 | |
| B | 17 | 22 | 22 | 22 | 27 | 27 | |
| C x Tiefe | M6x9 | M8x12 | M8x12 | M8x12 | M10x15 | M10x15 | |
| D x Tiefe | M8x12 | M10x15 | M10x15 | M10x15 | M12x18 | M12x18 | |
| E | 50 | 70 | 70 | 70 | 102 | 102 | |
| F | 70 | 102 | 102 | 102 | 125 | 125 | |
| G | 13 | 16 | 17 | 19 | 19 | 19,5 | |
| H | 44,8 | 54,5 | 58,1 | 60 | 57,4 | 61,5 | |
| I | 12 | 15 | 15 | 19 | 19 | 22 | |
| L | 107 | 137,5 | 141,1 | 148 | 164,9 | 178 | |
| M | 46,8 | 56,5 | 60,1 | 62 | 72,9 | 78,5 | |
| N | 60,2 | 81 | 81 | 86 | 92 | 99,5 | |
| O | 19,3 | 24,8 | 24,8 | 24,3 | 29,5 | 29,5 | |
| P | 40,2 | 51 | 51 | 56 | 62 | 69,5 | |
| Q | 46,8 | 56,5 | 60,1 | 62 | 72,9 | 78,5 | |
| R | 18 | 20,2 | 22,5 | 25,5 | 29 | 31,8 | |
| S | 20 | 30 | 30 | 30 | 30 | 30 | |
| T | 87 | 107,5 | 111,1 | 118 | 134,9 | 148 | |
| W (Gas) | 1/8" | 1/8" | 1/8" | 1/8" | 1/4" | 1/4" | |
| Ch | 17 | 22 | 22 | 22 | 27 | 27 | |
| Gewicht (kg) | 3,35 | 5,9 | 6,8 | 8,9 | 11,8 | 16,5 | |
| Luft (dm3/Zyklus) | 0,33 | 0,55 | 0,8 | 1 | 1,5 | 2 | |
| H = MITTE DER SOCKELBEFESTIGUNGEN | |||||||
TECHNISCHES DATENBLATT VON SRN480 (Nm) bis SRN960 (Nm)  | |||||||
| Artikelnummer | SRN0480401S | SRN0480402S | SRN0720402S | SRN0720401S | SRN0960402S | SRN0960401S | |
| Ersatzdichtungen | KGGI0024 | KGGI0025 | KGGI0026 | ||||
| Baugröße | SRN480 | SRN720 | SRN960 | ||||
| ISO | F10/F12 | F14 | F12 | F14 | F12/F16 | F14 | |
| A | 648,2 | 648,2 | 798 | 798 | 828 | 828 | |
| A1 (2,8 Bar) | 563,8 | 563,8 | 683 | 683 | 714,4 | 714,4 | |
| B | 36 | 36 | 36 | 36 | 46 | 46 | |
| C x Tiefe | M10x15 | M16x24 | M12x18 | M16x24 | M12x18 | M16x24 | |
| D x Tiefe | M12x18 | - | - | - | M20x30 | - | |
| E | 102 | 140 | 125 | 140 | 125 | 140 | |
| F | 125 | - | - | - | 165 | - | |
| G | 19,5 | 19,5 | 19,5 | 19,5 | 18,5 | 18,5 | |
| H | 78 | 78 | 86,5 | 86,5 | 99,2 | 99,2 | |
| I | 24 | 24 | 27 | 27 | 32 | 32 | |
| L | 198 | 198 | 216 | 216 | 237,7 | 237,7 | |
| M | 93,5 | 93,5 | 101,5 | 101,5 | 114,7 | 114,7 | |
| N | 104,5 | 104,5 | 114,5 | 114,5 | 123 | 123 | |
| O | 38,5 | 38,5 | 38,5 | 38,5 | 48,5 | 48,5 | |
| P | 74,5 | 74,5 | 84,5 | 84,5 | 93 | 93 | |
| Q | 93,5 | 93,5 | 101,5 | 101,5 | 114,7 | 114,7 | |
| R | 36,5 | 36,5 | 41 | 41 | 46 | 46 | |
| S | 30 | 30 | 30 | 30 | 30 | 30 | |
| T | 168 | 168 | 186 | 186 | 207,7 | 207,7 | |
| W (Gas) | 1/4" | 1/4" | 1/4" | 1/4" | 1/4" | 1/4" | |
| Ch | 27 | 27 | 36 | 36 | 36 | 36 | |
| Gewicht (kg) | 22,7 | 22,7 | 33 | 33 | 42 | 42 | |
| Luft (dm3/Zyklus) | 2,8 | 2,8 | 4,2 | 4,2 | 5,9 | 5,9 | |
| H = MITTE DER SOCKELBEFESTIGUNGEN | |||||||
| TECHNISCHES DATENBLATT SR 1440 (Nm) | |
| Artikelnummer | SR1440E16D8A | 
| Gewicht [kg] | 74,0 | 
| Luftvolumen [dm3/ Zyklus] | 11,0 | 
| Ersatzdichtungen | KGSI1035 | 
| TECHNISCHES DATENBLATT SR 1920 (Nm) | |
| Artikelnummer | SR1920E1608A | 
| Gewicht [kg] | 67,0 | 
| Luftvolumen [dm3/ Zyklus] | 12,0 | 
| Ersatzdichtungen | KGDI0030 | 
| TECHNISCHES DATENBLATT SR 2880 (Nm) | |
| Artikelnummer | SR2880E16D8A | 
| Gewicht [kg] | 116,8 | 
| Luftvolumen [dm3/ Zyklus] | 21,0 | 
| Ersatzdichtungen | KGSI2035 | 
| TECHNISCHES DATENBLATT SR 4000 (Nm) | |
| Artikelnummer | SR4000E25D8A | 
| Gewicht [kg] | 183,0 | 
| Luftvolumen [dm3/ Zyklus] | 29,1 | 
| Ersatzdichtungen | KGSI1040 | 
BESTANDTEILE EINFACHWIRKENDER PNEUMATISCHER STELLANTRIEB BAUGRÖSSE: SRN15-SRN960  | |||
| Pos | Bezeichnung | Menge | Werkstoff | 
| 1 | Zylinder   | 1 | Aluminiumlegierung | 
| 2 | Kolben | 2 | Aluminiumlegierung | 
| 3 | Kappe | 2 | Aluminiumlegierung | 
| 4 | Welle | 1 | Edelstahl | 
| 5 | Gabel | 1 | Stahllegierung | 
| 6 | Gleitbuchse | 1 | Acetalharz | 
| 7 | Wellenhalterung | 1 | Acetalharz | 
| 8 | Buchse | 2 | Stahllegierung | 
| 9 | Bolzen | 2 | Stahllegierung | 
| 10* | Dichtring | 2 | Polyurethan | 
| 11* | Stützscheibe | 4 | P.T.F.E. carbo-graphite filled | 
| 12* | O-Ring Kolben | 2 | Nitrilkautschuk | 
| 13 | O-Ring obere Welle | 1 | FKM | 
| 14 | Äußerer Stützring | 1 | Acetalharz | 
| 15 | Unterlegscheibe | 1 | Edelstahl | 
| 16 | Seeger-Ring | 1 | Edelstahl | 
| 17 | O-Ring untere Welle | 1 | FKM | 
| 18 | Mutter | 2 | Aluminiumlegierung | 
| 19* | O-Ring Kappe | 2 | Nitrilkautschuk | 
| 20 | Schrauben | 8 | Edelstahl | 
| 21 | Federvorspannschrauben | 2 | Stahllegierung | 
| 22 | Federteller | 2 | Stahllegierung | 
| 23 | Feder | 2 | Stahllegierung | 
| 24* | O-Ring | 2 | Nitrilkautschuk | 
| 25 | Äußere Spannhülse | 1 | Stahllegierung | 
| 26 | Innere Spannhülse | 1 | Stahllegierung | 
| 27 | Zentrierring (OPTIONAL) | 1 | Aluminiumlegierung | 
| * Bestandteile des Ersatzkits | |||
| BESTANDTEILE EINFACHWIRKENDER PNEUMATISCHER STELLANTRIEB BAUGRÖSSE: SR1440 | |||
| Pos | Bezeichnung | Menge | Werkstoff | 
| 1 | Stahlbuchse | 1 | Stahl | 
| 2 | Stahlstift | 1 | Stahl | 
| 3 | Gehäuse | 1 | Aluminium | 
| 4 | Innere Feder | 1 | Stahl | 
| 5* | O-Ring | 2 | Nitrilic rubber | 
| 6 | Welle | 1 | Stahl | 
| 7 | Schraube Ausblassicherung | 1 | Stahl | 
| 8* | Untere Halterung | 1 | P.T.F.E. carbo-graphite filled | 
| 9* | O-Ring | 1 | FKM | 
| 10* | O-Ring | 1 | FKM | 
| 11 | Untere Lagerbuchse | 1 | Aluminium | 
| 12 | Buchsenschraube | 2 | Stahl | 
| 13 | Gleitbuchse | 1 | Acetalharz | 
| 14 | Abstandhalter | 1 | Aluminium | 
| 15 | Kappe | 1 | Aluminium | 
| 16 | Montageschraube | 7 | Stahl | 
| 17 | Hutmutter | 7 | Stahl | 
| 18 | Justierschraube (Kappe) | 1 | Stahl | 
| 19 | Mutter | 1 | Stahl | 
| 20 | Justierschraube | 1 | Stahl | 
| 21* | O-Ring | 1 | Nitrilic rubber | 
| 22 | Gabel | 1 | Stahl | 
| 23 | Gleitbuchse/Halt. | 1 | Acetalharz | 
| 24* | O-Ring | 2 | Nitrilic rubber | 
| 25* | Obere Halterung | 1 | P.T.F.E. carbo-graphite filled | 
| 26* | O-Ring | 1 | FKM | 
| 27* | Äußerer Stützring | 1 | Acetalharz | 
| 28 | Unterlegscheibe | 1 | Stahl | 
| 29 | Seeger-Ring | 1 | Stahl | 
| 30 | Stift Ausblassicherung | 1 | Stahl | 
| 31* | Scheiben | 2 | Acetalharz | 
| 32 | Kolben | 1 | Aluminium | 
| 33* | O-Ring | 1 | Nitrilic rubber | 
| 34* | Führungsring | 1 | PTFE kohlenstoff-/graphitverstärkt | 
| 35 | Seitenzylinder | 1 | Stahl | 
| 36* | O-Ring | 2 | Nitrilic rubber | 
| 37 | Kappe | 1 | Stahl | 
| 38 | Montageschraube | 7 | Stahl | 
| 39 | Hutmutter | 7 | Stahl | 
| 40* | O-Ring | 1 | Nitrilic rubber | 
| 41 | Mutter | 1 | Stahl | 
| 42 | Hutmutter | 1 | Stahl | 
| 43 | Federvorspannschraube | 1 | Stahl | 
| 44 | O-Ring | 1 | Nitrilic rubber | 
| 45 | Kleiner Federteller | 1 | Aluminium | 
| 46 | O-Ring | 1 | Nitrilic rubber | 
| 47 | Großer Federteller | 1 | Aluminium | 
| 48 | Äußere Feder | 1 | Stahl | 
| * Bestandteile des Ersatzkits | |||
| BESTANDTEILE EINFACHWIRKENDER PNEUMATISCHER STELLANTRIEB BAUGRÖSSE: SR1920 | |||
| Pos | Bezeichnung | Menge | Werkstoff | 
| 1 | Zylinder | 1 | Aluminiumlegierung | 
| 2 | Kolben | 2 | Aluminiumlegierung | 
| 3 | Kappe | 2 | Aluminiumlegierung | 
| 4 | Welle | 1 | Edelstahl | 
| 5 | Gabel | 1 | Stahllegierung | 
| 6 | Gleitbuchse | 1 | Acetalharz | 
| 7 | Gleitbuchse/Halterung | 1 | Acetalharz | 
| 8 | Untere Halterungsschelle | 1 | P.T.F.E. carbo-graphite filled | 
| 9 | Obere Halterungsschelle | 1 | P.T.F.E. carbo-graphite filled | 
| 10 | Stahlbuchse | 2 | Stahllegierung | 
| 11 | Stahlstift | 2 | Stahllegierung | 
| 12 | Führungsring | 2 | PTFE kohlenstoff-/graphitverstärkt | 
| 13* | Stützscheibe | 4 | Acetalharz | 
| 14* | O-Ring Kolben | 2 | Nitrilic rubber | 
| 15* | O-Ring obere Welle | 1 | FKM | 
| 16 | Äußerer Stützring | 1 | Acetalharz | 
| 17 | Unterlegscheibe | 1 | Edelstahl | 
| 18 | Seeger-Montagezange | 1 | Edelstahl | 
| 19* | O-Ring Luftleitung | 2 | Nitrilic rubber | 
| 20* | O-Ring untere Welle | 1 | FKM | 
| 21* | O-Ring Kappe | 2 | Nitrilic rubber | 
| 22* | O-Ring Gehäuse-Zylinder | 2 | Nitrilic rubber | 
| 23 | Hutmutter | 12 | Edelstahl | 
| 24 | Justierschraube | 2 | Edelstahl | 
| 25* | O-Ring Justierschraube | 2 | Nitrilic rubber | 
| 26 | Mutter | 2 | Edelstahl | 
| 27 | Feder | 4 | Stahllegierung | 
| 28* | O-Ring Justierung | 2 | Nitrilic rubber | 
| 29 | Mutter | 2 | Edelstahl | 
| 30 | Hutmutter | 2 | Edelstahl | 
| 31 | Federteller | 2 | Aluminiumlegierung | 
| 32 | Federvorspannschraube | 2 | Edelstahl | 
| 33 | Seitenzylinder | 2 | Aluminiumlegierung | 
| 34 | Schraube Ausblassicherung | 1 | Edelstahl | 
| 35** | Zentrierring (OPTIONAL) | 1 | Aluminiumlegierung | 
| 36 | Montageschraube | 12 | Stahl | 
| 37 | Stift Ausblassicherung | 2 | Stahllegierung | 
| * Bestandteile des Ersatzkits | |||
| ** OPTIONAL | |||
BESTANDTEILE EINFACHWIRKENDER PNEUMATISCHER STELLANTRIEB BAUGRÖSSE: SR2880  | |||
| Pos | Bezeichnung | Menge | Werkstoff | 
| 1 | Stahlbuchse | 2 | Stahl | 
| 2 | Stahlstift | 2 | Stahl | 
| 3 | Stellschraube | 1 | Stahl | 
| 4 | Linksanschlag | 1 | Stahl | 
| 5* | O-Ring | 2 | Nitrilic rubber | 
| 6 | Schutzkappe | 1 | Aluminium | 
| 7 | Verdrehsicherungsscheibe | 1 | Stahl | 
| 8 | Durchgangsring | 1 | Edelstahl | 
| 9* | O-Ring | 1 | Nitrilic rubber | 
| 10 | Einstellgehäuse | 1 | Aluminium | 
| 11 | Schraube für Einstellgehäuse | 4 | Stahl | 
| 12 | Blindring | 1 | Edelstahl | 
| 13 | Rechtsanschlag | 1 | Stahl | 
| 14 | Schraube Ausblassicherung | 1 | Stahl | 
| 15 | Welle | 1 | Stahl | 
| 16 | Untere Halterung | 1 | P.T.F.E. carbo-graphite filled | 
| 17 | Untere Lagerbuchse | 1 | Aluminium | 
| 18 | Buchsenschraube | 2 | Stahl | 
| 19* | O-Ring | 1 | FKM | 
| 20 | Gleitbuchse | 1 | Acetalharz | 
| 21* | Scheiben | 4 | Acetalharz | 
| 22 | Stift Ausblassicherung | 2 | Stahl | 
| 23 | Seitenzylinder | 2 | Aluminium | 
| 24* | O-Ring Kappe | 2 | Nitrilic rubber | 
| 25 | Kappe | 2 | Aluminium | 
| 26 | Montageschraube | 14 | Stahl | 
| 27 | Hutmutter | 14 | Stahl | 
| 28 | Hutmutter | 2 | Stahl | 
| 29 | Mutter | 2 | Stahl | 
| 30* | O-Ring | 2 | Nitrilic rubber | 
| 31* | Führungsring | 2 | PTFE kohlenstoff-/graphitverstärkt | 
| 32* | O-Ring Kolben | 2 | Nitrilic rubber | 
| 33 | Kolben | 2 | Aluminium | 
| 34 | Gabel | 1 | Stahl | 
| 35 | Gleitbuchse/Halt. | 1 | Acetalharz | 
| 36* | O-Ring | 2 | Nitrilic rubber | 
| 37* | O-Ring | 2 | Nitrilic rubber | 
| 38 | Gehäuse | 1 | Aluminium | 
| 39* | Obere Halterung | 1 | P.T.F.E. carbo-graphite filled | 
| 40* | O-Ring | 1 | FKM | 
| 41* | Äußerer Stützring | 1 | Acetalharz | 
| 42 | Unterlegscheibe | 1 | Stahl | 
| 43 | Seeger-Montagezange | 1 | Stahl | 
| 44 | Vorspannschraube Feder | 2 | Stahl | 
| 45* | O-Ring | 2 | Nitrilic rubber | 
| 46 | Kleiner Federteller | 2 | Aluminium | 
| 47* | O-Ring | 2 | Nitrilic rubber | 
| 48 | Großer Federteller | 2 | Aluminium | 
| 49 | Äußere Feder | 2 | Stahl | 
| 50 | Innere Feder | 2 | Stahl | 
| 51* | Dichtung Einstellgehäuse | 1 | Nitrilic rubber | 
| 52* | O-Ring | 1 | FKM | 
| 53 | Stützscheibe | 1 | Stahl | 
| 54 | Seeger-Montagezange | 2 | Stahl | 
| * Bestandteile des Ersatzkits | |||
| BESTANDTEILE EINFACHWIRKENDER PNEUMATISCHER STELLANTRIEB BAUGRÖSSE: SR4000  | |||
| Pos | Bezeichnung | Menge | Werkstoff | 
| 1 | Stahlbuchse | 2 | Stahl | 
| 2 | Stahlstift | 2 | Stahl | 
| 3 | Stellschraube | 1 | Stahl | 
| 4 | Linksanschlag | 1 | Stahl | 
| 5* | O-Ring | 2 | Nitrilic rubber | 
| 6 | Schutzkappe | 1 | Aluminium | 
| 7 | Verdrehsicherungsscheibe | 1 | Stahl | 
| 8 | Durchgangsring | 1 | Edelstahl | 
| 9* | O-Ring | 1 | Nitrilic rubber | 
| 10 | Einstellgehäuse | 1 | Aluminium | 
| 11 | Schraube für Einstellgehäuse | 4 | Stahl | 
| 12 | Blindring | 1 | Edelstahl | 
| 13 | Rechtsanschlag | 1 | Stahl | 
| 14 | Schraube Ausblassicherung | 1 | Stahl | 
| 15 | Welle | 1 | Stahl | 
| 16 | Untere Halterung | 1 | P.T.F.E. carbo-graphite filled | 
| 17 | F25-Schnittstelle | 1 | Aluminium | 
| 18 | Schraube für Schnittstelle | 2 | Stahl | 
| 19* | O-Ring | 1 | FKM | 
| 20 | Gleitbuchse | 1 | Acetalharz | 
| 21* | Scheiben | 4 | Acetalharz | 
| 22 | Stift Ausblassicherung | 2 | Stahl | 
| 23 | Seitenzylinder | 2 | Aluminium | 
| 24* | O-Ring Kappe | 2 | Nitrilic rubber | 
| 25 | Kappe | 2 | Aluminium | 
| 26 | Montageschraube | 14 | Stahl | 
| 27 | Hutmutter | 28 | Stahl | 
| 28 | Mutter | 2 | Stahl | 
| 29 | Vorspannschraube Feder | 2 | Stahl | 
| 30* | O-Ring | 2 | Nitrilic rubber | 
| 31* | Führungsring | 2 | PTFE kohlenstoff-/graphitverstärkt | 
| 32* | O-Ring Kolben | 2 | NBR | 
| 33 | Kolben | 2 | Aluminium | 
| 34 | Gabel | 1 | Stahl | 
| 35 | Gleitbuchse/Halt | 1 | Acetalharz | 
| 36* | O-Ring | 2 | Nitrilic rubber | 
| 37* | O-Ring | 18 | Nitrilic rubber | 
| 38 | Gehäuse | 1 | Aluminium | 
| 39* | Obere Halterung | 1 | P.T.F.E. carbo-graphite filled | 
| 40* | O-Ring | 1 | FKM | 
| 41* | Äußerer Stützring | 1 | Acetalharz | 
| 42 | Unterlegscheibe | 1 | Stahl | 
| 43 | Seeger-Montagezange | 1 | Stahl | 
| 44* | Dichtung Einstellgehäuse | 1 | Nitrilic rubber | 
| 45 | Stützscheibe | 1 | Stahl | 
| 46 | Seeger-Montagezange | 2 | Stahl | 
| 47 | Flansch Red. Zylinder | 2 | Aluminium | 
| 48 | Flanschschrauben | 14 | Stahl | 
| 49 | Justierschraube | 2 | Stahl | 
| 50 | Flansch Red. Kolben | 2 | Aluminium | 
| 51* | O-Ring | 2 | Nitrilic rubber | 
| 52 | Hutmutter | 2 | Stahl | 
| 53 | Äußere Feder | 2 | Stahl | 
| 54 | Innere Feder | 2 | Stahl | 
| 55 | Großer Federteller | 2 | Aluminium | 
| 56 | O-Ring | 2 | Nitrilic rubber | 
| 57 | O-Ring | 2 | Nitrilic rubber | 
| 58 | Kleiner Federteller | 2 | Aluminium | 
| * Bestandteile des Ersatzkits | |||
TABELLE DER DREHMOMENTE (Nm)      α° = SCHWENKWINKEL     | |||||||||
| BAUGRÖSSE | α° | 2,8 bar ÷ 40 PSI | 3,5 bar ÷ 50 PSI | 4,2 bar ÷ 60 PSI | 5,6 bar ÷ 80 PSI | ||||
| Luft | Feder | Luft | Feder | Luft | Feder | Luft | Feder | ||
| SRN 15 | 0° | 7,5 | 5 | 9,4 | 6,3 | 11,3 | 7,5 | 15 | 10 | 
| 50° | 3,7 | 3,7 | 4,7 | 4,7 | 5,6 | 5,6 | 7,5 | 7,5 | |
| 90° | 5 | 7,5 | 6,3 | 9,4 | 7,5 | 11,3 | 10 | 15 | |
| SRN 30 | 0° | 15 | 10 | 18,8 | 12,5 | 22,5 | 15 | 30 | 20 | 
| 50° | 7,5 | 7,5 | 9,4 | 9,4 | 11,3 | 11,3 | 15 | 15 | |
| 90° | 10 | 15 | 12,5 | 18,8 | 15 | 22,5 | 20 | 30 | |
| SRN 53 | 0° | 26,5 | 17,5 | 33 | 22 | 40 | 26 | 53 | 35 | 
| 50° | 13 | 13 | 16,5 | 16,5 | 19,5 | 19,5 | 26 | 26 | |
| 90° | 17,5 | 26,5 | 22 | 33 | 26 | 40 | 35 | 53 | |
| SRN 60 | 0° | 30 | 20 | 37,5 | 25 | 45 | 30 | 60 | 40 | 
| 50° | 15 | 15 | 18,8 | 18,8 | 22,5 | 22,5 | 30 | 30 | |
| 90° | 20 | 30 | 25 | 37,5 | 30 | 45 | 40 | 60 | |
| SRN 90 | 0° | 45 | 30 | 56,3 | 37,5 | 67,5 | 45 | 90 | 60 | 
| 50° | 22,5 | 22,5 | 28,1 | 28,1 | 33,9 | 33,9 | 45 | 45 | |
| 90° | 30 | 45 | 37,5 | 56,3 | 45 | 67,5 | 60 | 90 | |
| SRN 120 | 0° | 60 | 40 | 75 | 50 | 90 | 60 | 120 | 80 | 
| 50° | 30 | 30 | 37,5 | 37,5 | 45 | 45 | 60 | 60 | |
| 90° | 40 | 60 | 50 | 75 | 60 | 90 | 80 | 120 | |
| SRN 180 | 0° | 90 | 60 | 112,5 | 75 | 135 | 90 | 180 | 120 | 
| 50° | 45 | 45 | 56,3 | 56,3 | 67,5 | 67,5 | 90 | 90 | |
| 90° | 60 | 90 | 75 | 112,5 | 90 | 135 | 120 | 180 | |
| SRN 240 | 0° | 120 | 80 | 150 | 100 | 180 | 120 | 240 | 160 | 
| 50° | 60 | 60 | 75 | 75 | 90 | 90 | 120 | 120 | |
| 90° | 80 | 120 | 100 | 150 | 120 | 180 | 160 | 240 | |
| SRN 360 | 0° | 180 | 120 | 225 | 150 | 270 | 180 | 360 | 240 | 
| 50° | 90 | 90 | 112,5 | 112,5 | 135 | 135 | 180 | 180 | |
| 90° | 120 | 180 | 150 | 225 | 180 | 270 | 240 | 360 | |
| SRN 480 | 0° | 240 | 160 | 300 | 200 | 360 | 240 | 480 | 320 | 
| 50° | 120 | 120 | 150 | 150 | 180 | 180 | 240 | 240 | |
| 90° | 160 | 240 | 200 | 300 | 240 | 360 | 320 | 480 | |
| SRN 720 | 0° | 360 | 240 | 450 | 300 | 540 | 360 | 720 | 480 | 
| 50° | 180 | 180 | 225 | 225 | 270 | 270 | 360 | 360 | |
| 90° | 240 | 360 | 300 | 450 | 360 | 540 | 480 | 720 | |
| SRN 960 | 0° | 480 | 320 | 600 | 400 | 720 | 480 | 960 | 640 | 
| 50° | 240 | 240 | 300 | 300 | 360 | 360 | 480 | 480 | |
| 90° | 320 | 480 | 400 | 600 | 480 | 720 | 640 | 960 | |
| SR 1440 | 0° | --- | --- | 900 | 600 | --- | --- | 1440 | 960 | 
| 50° | --- | --- | 450 | 450 | --- | --- | 720 | 720 | |
| 90° | --- | --- | 600 | 900 | --- | --- | 960 | 1440 | |
| SR 1920 | 0° | 960 | 640 | 1200 | 800 | 1440 | 960 | 1920 | 1280 | 
| 50° | 480 | 480 | 600 | 600 | 720 | 720 | 960 | 960 | |
| 90° | 640 | 960 | 800 | 1200 | 960 | 1440 | 1280 | 1920 | |
| SR 2880 | 0° | 1440 | 960 | 1800 | 1200 | 2160 | 1440 | 2880 | 1920 | 
| 50° | 720 | 720 | 900 | 900 | 1080 | 1080 | 1440 | 1440 | |
| 90° | 960 | 1440 | 1200 | 1800 | 1440 | 2160 | 1920 | 2880 | |
| SR 4000 | 0° | 2000 | 1333 | 2500 | 1666,3 | 3000 | 1999,5 | 4000 | 2666 | 
| 50° | 1000 | 1000 | 1250 | 1250 | 1500 | 1500 | 2000 | 2000 | |
| 90° | 1333 | 2000 | 1666,3 | 2500 | 1999,5 | 3000 | 2666 | 4000 | |