images/testate/1600x499accattuatori.jpg

Grauguss-Reduzierstück mit abnehmbarem Handrad

GUSSEISEN REDUZIERSTÜCK MIT ABNEHMBAREM HANDRAD FÜR STELLANTRIEBE DAN60 - DA8000 / SRN60 - SR4000

HAUPTMERKMALE
- Dieser Stellantrieb wurde entwickelt, um bei einer Störung oder einem Stromausfall (Druckluft) an Ventilen, die von einem pneumatischen Dreh-Stellantrieb mit einer 1/4-Umdrehung gesteuert werden, eine Notfall-Bedienung zu ermöglichen. Der Stellantrieb wird zwischen Ventil und pneumatischem Stellantrieb montiert. Bei abgeschaltetem Stellantrieb steuert der Stellantrieb das Ventil direkt. Der eingesetzte Stellantrieb ermöglicht den Notfall-Betrieb durch Ziehen des Stellantriebs und damit des Ventilkegels. Darüber hinaus ermöglicht er immer die manuelle Betätigung des Ventils, wenn der pneumatische Stellantrieb wegen einem eventuellen Austausch oder einer Reparatur entfernt werden muss.
- Schutzart IP67
- Betriebstemperatur -45bis + 150°C

WERKSTOFFE
- Gehäuse: Gusseisen JS1030
- Zahnrad: Sphäroguss JS1030
- Schneckenwelle: Stahl C45/AISI 1045
- Welle: Stahl
- Handrad: Lackierter Stahl

MAXIMALES DREHMOMENT AM GETRIEBEAUSGANG
RAD02DE0DE003403
350 Nm
RAD03EF0EF004512
750 Nm
RAD04EF0FGH06522
2000 Nm
RAD05G00GH008023
3500 Nm
RAD06HL0HL009521
5000 Nm
RAD07HL0HL009522
8500 Nm

Reduzierstück mit Handrad am Stellantrieb mit Doppelwirkung

Reduzierstück mit Handrad am Stellantrieb mit Einfachwirkung

ABSCHALTUNG
Den Knauf (2) herausziehen und gleichzeitig den Hebel (1) nach unten drehen (gegen den Uhrzeigersinn), währenddessen den Knauf (2) loslassen und sicherstellen, dass er in seine Ausgangsstellung zurückkehrt (bis ein Klicken hörbar ist); zu diesem Zeitpunkt kann sich der Hebel (1) nicht mehr drehen, das Getriebe wird ausgekuppelt und das Handrad (3) dreht sich im Leerlauf.

EINSCHALTUNG
Zum Einschalten muss wie zuvor beschrieben vorgegangen werden, aber durch Drehen des Hebels (1) von unten nach oben (im Uhrzeigersinn) wird das Reduzierstück an dieser Stelle eingesetzt und kann manuell mit dem Handrad (3) betätigt werden.

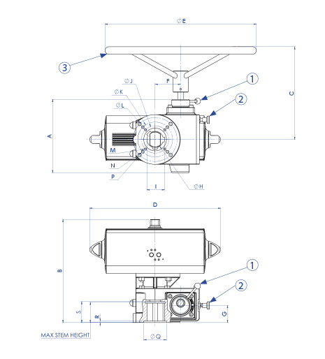
MASSTABELLE
UNTERSETZUNGSGETRIEBE
RAD02DE0
DE003403
RAD02DE0
DE003403
RAD02DE0
DE003403
RAD02DE0
DE003403
RAD02DE0
DE003403
RAD02DE0
DE003403
RAD03EF0
EF004512
RAD04EF0
FGH06522
RAD05G00
GH008023
RAD05G00
GH008023
RAD05G00
GH008023
RAD06HL0
HL009521
RAD06HL0
HL009521
RAD07HL0
HL009522
RAD07HL0
HL009522
BAUSATZ STELLANTRIEB DA-UNTERSETZUNGSGETRIEBE
KCF056402
KCF076405
KCF076405
KCF106406
KCF106406
KCF106406
KCF126408
KCF126409
KCF146412
KCF146412
KCF166413
KCF166414
KCF166414
KCF256416
KCF256416
BAUSATZ STELLANTRIEB SR-UNTERSETZUNGSGETRIEBE
KCF166414
STELLANTRIEB
DAN0060412S
DAN0106411S
DAN0120411S
DAN0180411S
DAN0240411S
DAN0360411S
DAN0480411S
DAN0720411S
DAN0960412S
DAN1440411S
DAN1920411S
DA2880E16D0A
DA3840E1600A
DA5760E25D0A
DA8000E25D0A
STELLANTRIEB
--SRN0060401S
SRN0090401S
SRN0120401S
SRN0180401S
SRN0240401S
SRN0360401S
SRN0480402S
SRN0720401S
SRN0960401S
SR1440E16D8A
SR1920E1608A
SR2880E16D8A
SR4000E25D8A
A  mm.
154154154154154154174229268268268416416416416
B  mm.
216229232263266273295338382400422556511571571
C  mm.
205205205205205205242309356356356451451471471
D  mm.
1982372442903143403884334795676016677288851044
D1  mm.
--338394410474520613648798828834100112011370
ØE  mm.
200200200200200200250500600600600400400500500
F  mm.
5858585858587592134134134148148148148
G  mm.
343434343434414654545466666666
ØH  mm.
343434343434456580808095959595
I  mm.
36,436,436,436,436,4
36,4
48,369,484,884,884,8100,3100,3100,3100,3
ØJ  mm.
707070707070102102140140140165165165165
ØK  mm.
102102102102102102125140---254254254254
M  mm.
M8M8M8M8
M8
M8
M10
M10
M16
M16
M16
M20
M20
M20
M20
N  mm.
M10M10M10M10
M10
M10
M12
M16
---M16
M16
M16
M16
F/F ISO 5211  
F07/F10F07/F10
F07/F10
F07/F10
F07/F10
F07/F10
F10/F12
F10/F14
F14F14F14F16/F25F16/F25
F16/F25
F16/F25
ØQ  mm.
4545454545456085110110110125125125125
R  mm.
555555557776666
MAX STEM HEIGHT mm.
48484848484853,55878787891919191
Weight (DA)  Kg.
9101012131427,531,541,547,556120,5114153173
Weight (SR)  Kg.
--1113,51416,529,53646,55766139132184,5251

Die Abmessungen der pneumatischen Stellantriebe wurden unter Berücksichtigung eines Mindest-Versorgungsdrucks von 5,6 bar (g) festgelegt. Für vom Standard abweichende Drücke wenden Sie sich bitte an das Verkaufsbüro.

ARTIKELNUMMER SUCHEN
SCHLIESSEN

NÄCHSTES EVENT

Hydrogen Technology Expo - Europe 2025
Hydrogen Technology Expo - Europe 2025
Hamburg Messe, Germany, 21 - 23 october 2025